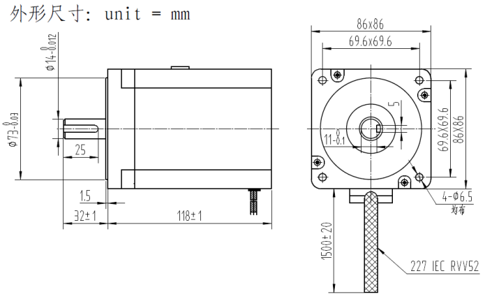
0.72°85HS-5P系列高轉矩混合式步進電機
Item
|
Specifications
|
Step Angle
|
0.36/0.72°
|
Step Angle Accuracy
|
±5% (full step, no load)
|
Resistance Accuracy
|
±10%
|
Inductance Accuracy
|
±20%
|
Temperature Rise
|
80。C Max.(rated current)
|
Ambient Temperature
|
-20。C~+50。C
|
Insulation Resistance
|
100MΩMin. ,500VDC
|
Dielectric Strength
|
1800VAC , 1s , 3mA
|
Shaft Radial Play
|
0.02Max. (450 g-load)
|
Shaft Axial Play
|
0.08Max. (450 g-load)
|
Max. radial force
|
220N (20mm from the flange)
|
Max. axial force
|
60N
|
Insulation class
|
F
|
|
|
l Size 86HS5Phase Hybrid Stepping Motor Specifications
型 號
|
相數
|
驅動電壓
|
電流
|
電阻
|
電感
|
靜轉矩
|
機身長度
|
重量
|
出軸長度
|
單 位
|
|
V
|
A
|
Ω
|
mH
|
N.m
|
mm
|
Kg
|
mm
|
86HS5P66-0710A
|
5
|
4.48
|
0.7
|
6.4
|
27.2
|
2.1
|
66 1
|
2.0
|
31 1
|
86HS5P66-1410A
|
5
|
2.24
|
1.4
|
1.6
|
6.80
|
2.1
|
66 1
|
2.2
|
31 1
|
86HS5P66-2810A
|
5
|
1.12
|
2.8
|
0.4
|
1.70
|
2.1
|
66 1
|
3.0
|
31 1
|
86HS5P96-0710A
|
5
|
6.44
|
0.7
|
9.2
|
54.4
|
4.2
|
96 1
|
3.5
|
31 1
|
86HS5P96-1410A
|
5
|
3.22
|
1.4
|
2.3
|
13.60
|
4.2
|
96 1
|
4.2
|
31 1
|
86HS5P96-2810A
|
5
|
1.62
|
2.8
|
0.28
|
3.40
|
4.2
|
96 1
|
4.7
|
31 1
|
86HS5P126-0710A
|
5
|
8.68
|
0.7
|
12.4
|
81.60
|
6.3
|
126 1
|
|
31 1
|
86HS5P126-1410A
|
5
|
4.34
|
1.4
|
3.10
|
20.40
|
6.3
|
126 1
|
|
31 1
|
86HS5P126-2810A
|
5
|
2.18
|
2.8
|
0.78
|
5.10
|
6.3
|
126 1
|
|
31 1
|


此文關鍵字: